Afin de vous garantir le meilleur service possible dans notre eShop, nous utilisons des cookies. En savoir plus sur l'utilisation des cookies
0

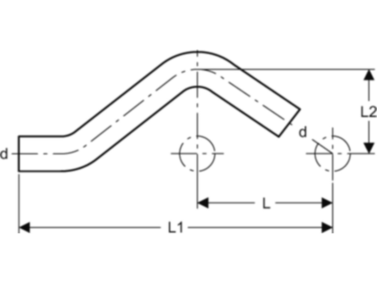
Übersprung C-Stahl

Eurotubi

Übersprung C-Stahl

Eurotubi

Produit C77
4
37
57
15
145
Auslaufartikel
Übersprung C-Stahl 15 mm
N° d'article C77AC
 
 
40
60
18
157
Auslaufartikel
Übersprung C-Stahl 18 mm
N° d'article C77AD
 
L'article ne peut pas être commandé
 
52
65
22
175
Auslaufartikel
Übersprung C-Stahl 22 mm
N° d'article C77AE
 
 
65
74
28
226
Auslaufartikel
Übersprung C-Stahl 28 mm
N° d'article C77AF
 
 

Description

Werkstoff: C-Stahl unlegiert 1.0034 E 195 (DIN EN 10305), aussen galvanisch verzinkt
Vous êtes sûr de vous?