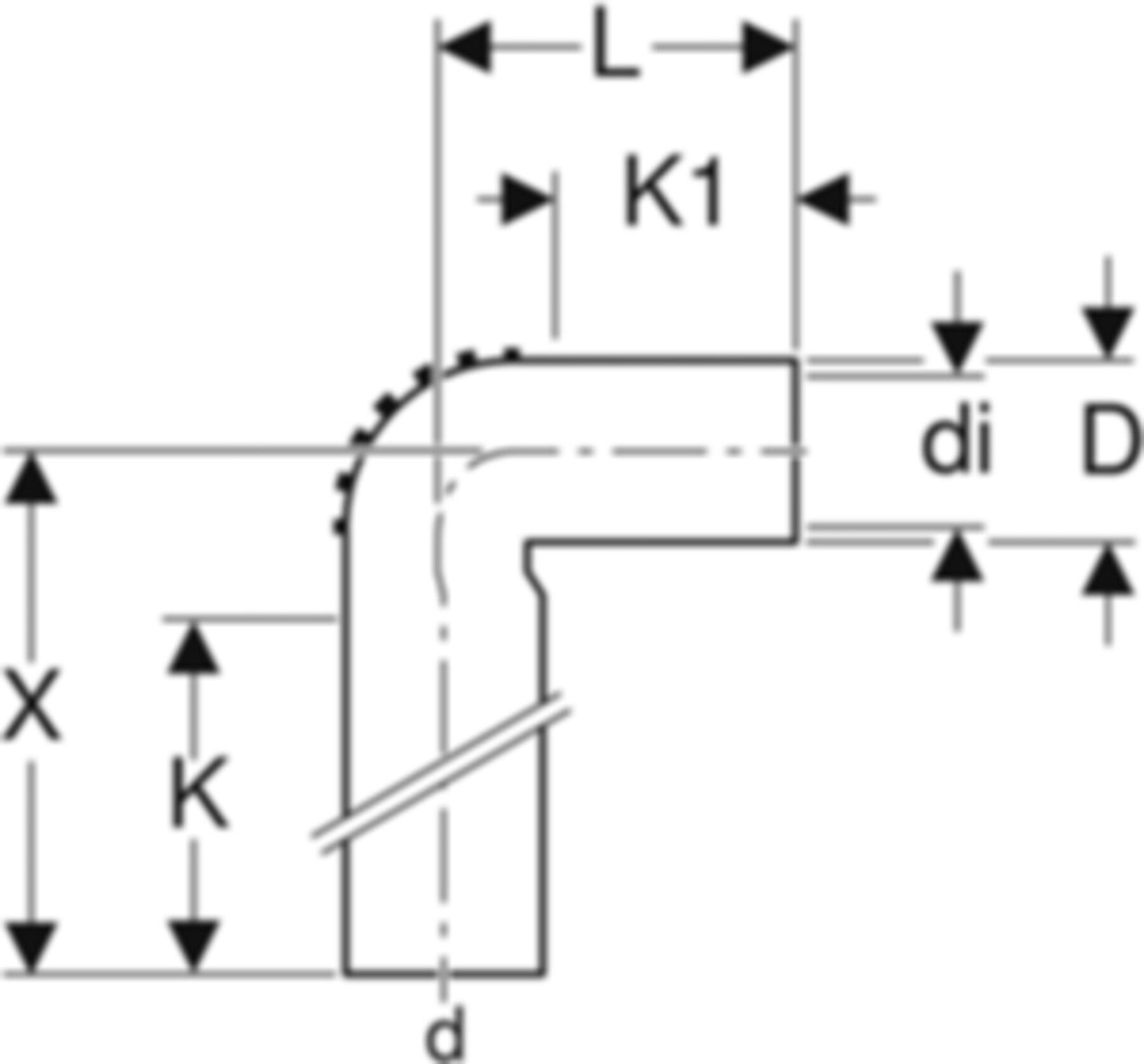
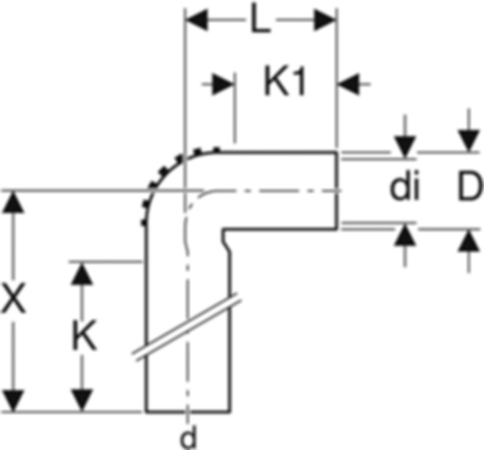
Geberit Modul-Anschlussbogen 90° 46/56für Waschtisch/Urinal/Bidet N° d'article 305907 ... state = null, 1500); updateCartData($event.detail.xhr.responseText); " >pcs