Afin de vous garantir le meilleur service possible dans notre eShop, nous utilisons des cookies. En savoir plus sur l'utilisation des cookies
0

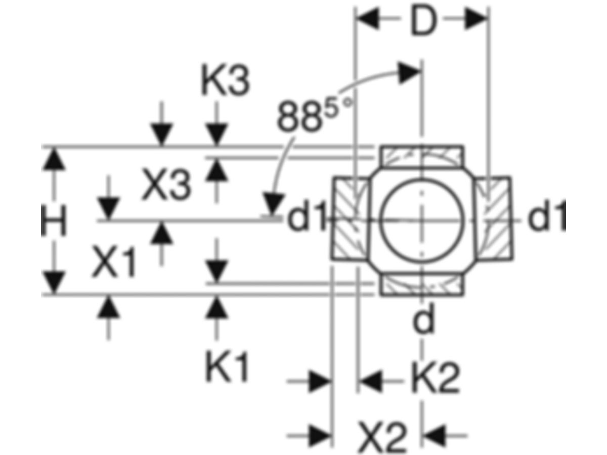
Geberit PE Mehrfach-Abzweig 90°

3-teilig

Geberit PE Mehrfach-Abzweig 90°

3-teilig

Produit GEBABZWM903
1
20
110
110
314.721
1.5
4.0
88.5 / 90
12.0
10.0
1.5
10.0
17
 
 

Description

- Dreifach, Anschlüsse 90° versetzt

Derniers articles consultés

Vous êtes sûr de vous?