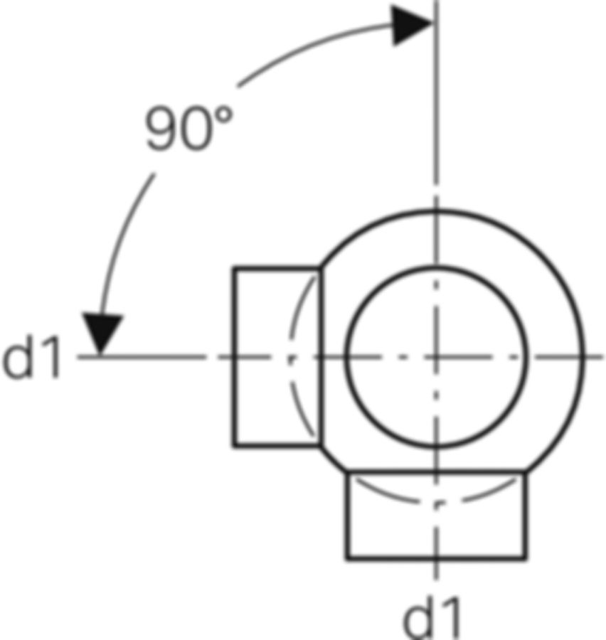
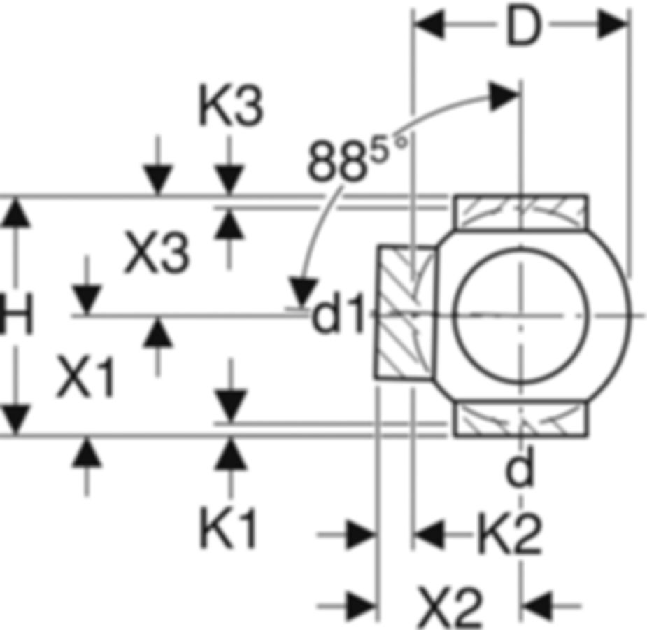
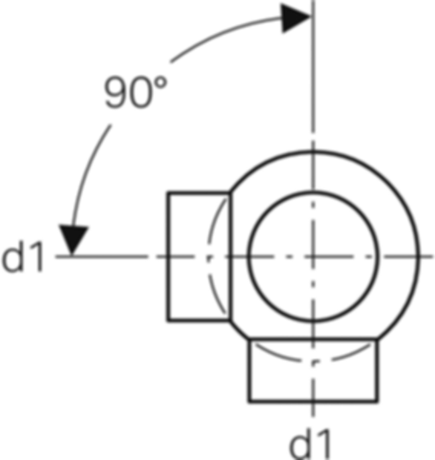
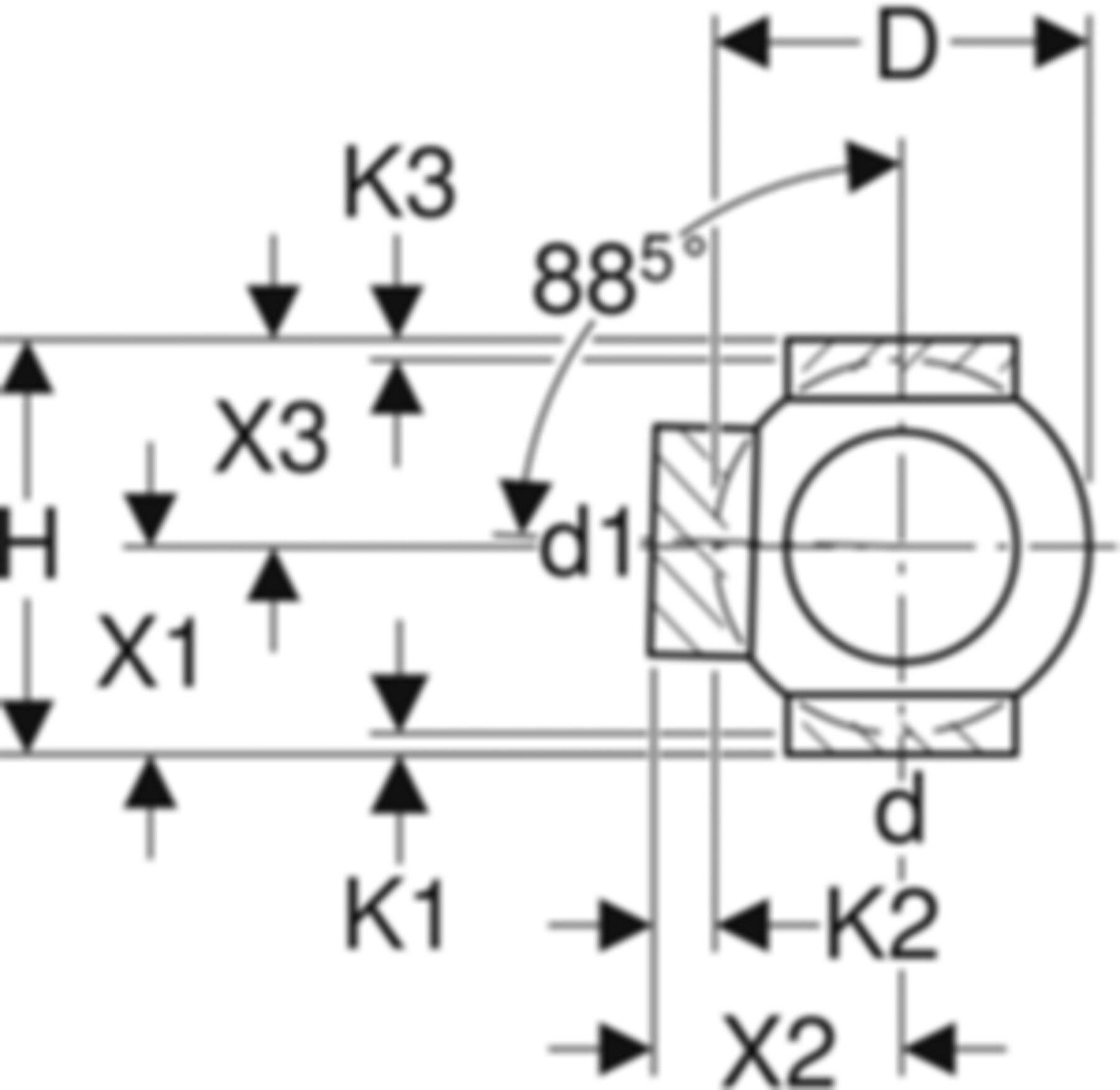
Geberit Eckabzweig 90° 110 N° d'article 367335 ... state = null, 1500); updateCartData($event.detail.xhr.responseText); " >pcs